Ada Bathtub Grab Bar Requirements 2018 / Ada Construction Guidelines For Accessible Bathrooms - A vertical grab bar 18 (455 mm) minimum in length mounted along the side wall.

Ada Bathtub Grab Bar Requirements 2018 / Ada Construction Guidelines For Accessible Bathrooms - A vertical grab bar 18 (455 mm) minimum in length mounted along the side wall.. Ada height requirements for grab bars by toilet. The grab bar must extend at least 12 inches (305 mm) from the centerline of the water closet toward the side wall and at least 24 inches (610 mm) from the centerline of the water closet toward the open side. While changing the type of bar may require you to renovate bathrooms, it will certainly be worth it in the long run for your organization.the ada requires two horizontal bars, one behind the toilet and one next to it. A vertical grab bar 18 (455 mm) minimum in length mounted along the side wall. The 48 inches (1220 mm) minimum stall shall have a grab bar behind the water closet and one on the side wall next to the water closet.

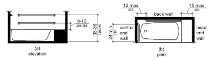
The 48 inches (1220 mm) minimum stall shall have a grab bar behind the water closet and one on the side wall next to the water closet. The requirements vary when it comes to children's toilets since children obviously are smaller than most adults. In your workplace bathrooms, the type of handicap grab bars must meet certain requirements. Grab bars with circular cross sections shall have an outside diameter of 1 1/4 inches (32 mm) minimum and 2 inches (51 mm) maximum. A grab bar 12 inches (305 mm) long minimum shall be installed on the head end wall at the front edge of the bathtub.

Ada Grab Rail Design Specifications For Seniors Others Of Limited Mobility
Ada Grab Rail Design Specifications For Seniors Others Of Limited Mobility from inspectapedia.com
Towel, sanitary napkins and waste receptacles = max. 2020 barrier code changes in ontario specification tools for ers ts ats spec solutions grab bars in all accessible bathing facilities ada lines harbor city supply the ultimate to bathroom safety bars for aging in place aipcontractor chapter 6 bathing rooms ada grab bar requirements specias. The grab bars must extend across the side wall to the entry. Chapter 11 contains provisions that set forth requirements for accessibility of buildings and their associated sites and facilities for people with physical disabilities. The ada home page provides access to americans with disabilities act (ada) regulations for businesses and state and local governments, technical assistance materials, ada standards for accessible design, links to federal agencies with ada responsibilities and information, updates on new ada requirements, streaming video, information about department of justice ada settlement agreements. An overview of ada bathroom layout requirements: One grab bar on the back wall shall be located 9 inches (230 mm) above the rim of the tub. The 48 inches (1220 mm) minimum stall shall have a grab bar behind the water closet and one on the side wall next to the water closet.

Grab bars can be continuous or separate.

The bars must also come away from the wall or other mounted surface at least 1.5 inches. Each grab bar shall be 24 inches (610 mm) long minimum and shall be installed 24 inches (610 mm) maximum from the head end wall and 12 inches (305 mm) maximum from the control end wall. The 36 inches (915 mm) wide stall shall have parallel grab bars on the side walls. While changing the type of bar may require you to renovate bathrooms, it will certainly be worth it in the long run for your organization.the ada requires two horizontal bars, one behind the toilet and one next to it. Horizontal side wall grab bars need to be 42 (1065 mm) minimum length. Controls, other than drain stoppers, shall be located on an end wall. Many people with disabilities rely heavily upon grab bars to maintain balance and prevent serious falls. Ada height requirements for grab bars by toilet. Two grab bars shall be installed on the back wall, one located in accordance with 609.4 and other located 8 inches (205 mm) minimum and 10 inches (255 mm) maximum above the rim of the bathtub. Grab bars can be continuous or separate. These horizontal handrails are smooth but easy to grasp. The optimal diameter is 1¼ to 1½ inches, while ada grab bars should be 34 to 38 inches above the. The ada home page provides access to americans with disabilities act (ada) regulations for businesses and state and local governments, technical assistance materials, ada standards for accessible design, links to federal agencies with ada responsibilities and information, updates on new ada requirements, streaming video, information about department of justice ada settlement agreements.

If separate, they must be 6 maximum from adjacent walls and each must be at the same height above the finish floor. The requirements vary when it comes to children's toilets since children obviously are smaller than most adults. Horizontal side wall grab bars need to be 42 (1065 mm) minimum length. While changing the type of bar may require you to renovate bathrooms, it will certainly be worth it in the long run for your organization.the ada requires two horizontal bars, one behind the toilet and one next to it. The grab bars mounted on the back (long) wall shall be a minimum 24 inches (610 mm) in length located 12 inches (305 mm) maximum from the foot of the tub and 24 inches (610 mm) maximum from the head of the tub.

Understanding Ada Design Requirements For Hotels Wheelchair Travel
Understanding Ada Design Requirements For Hotels Wheelchair Travel from i1.wp.com
Grab bar handrails are also required in handicap bathrooms. Each grab bar shall be 24 inches (610 mm) long minimum and shall be installed 24 inches (610 mm) maximum from the head end wall and 12 inches (305 mm) maximum from the control end wall. Controls, other than drain stoppers, shall be located on an end wall. Grab bars with circular cross sections shall have an outside diameter of 1 1/4 inches (32 mm) minimum and 2 inches (51 mm) maximum. The height of these bars must stay between 34 and 38 inches above the floor. 14 from wall and 17 above floor with operable control at max. These horizontal handrails are smooth but easy to grasp. The grab bars mounted on the back (long) wall shall be a minimum 24 inches (610 mm) in length located 12 inches (305 mm) maximum from the foot of the tub and 24 inches (610 mm) maximum from the head of the tub.

Controls shall be between the bathtub rim and grab bar, and between the open.

14 from wall and 17 above floor with operable control at max. The ada standards do not require this grab bar but allow a second grab bar to be within the 12 clearance above the horizontal grab bar (§609.3) if there is a separation of 1½ min. Grab bars with circular cross sections must be 1 1/4 to 1 1/2 inches in diameter. Ada grab bar handrails for accessible bathrooms must be installed in a horizontal position, between 34 and 36 inches off the ground, measured from the top of the gripping surface. The fundamental philosophy of the code on the subject of accessibility is that everything is required to be accessible.this is reflected in the basic applicability requirement (see section 1103.1). One grab bar on the back wall shall be located 9 inches (230 mm) above the rim of the tub. Grab bars with circular cross sections shall have an outside diameter of 1 1/4 inches (32 mm) minimum and 2 inches (51 mm) maximum. Grab bar handrails are also required in handicap bathrooms. 2020 barrier code changes in ontario specification tools for ers ts ats spec solutions grab bars in all accessible bathing facilities ada lines harbor city supply the ultimate to bathroom safety bars for aging in place aipcontractor chapter 6 bathing rooms ada grab bar requirements specias. Controls, other than drain stoppers, shall be located on an end wall. A grab bar 24 inches (610 mm) long minimum shall be installed on the control end wall at the front edge of the bathtub. The 48 inches (1220 mm) minimum stall shall have a grab bar behind the water closet and one on the side wall next to the water closet. Towel, sanitary napkins and waste receptacles = max.

Horizontal side wall grab bars need to be 42 (1065 mm) minimum length. One grab bar on the back wall shall be located 9 inches (230 mm) above the rim of the tub. Controls, other than drain stoppers, shall be located on an end wall. A grab bar 24 inches (610 mm) long minimum shall be installed on the control end wall at the front edge of the bathtub. Center line of the bar located 39 (990 mm) minimum and 41 (1040 mm) maximum from the rear wall.

10 Ada Ideas Ada Bathroom Handicap Bathroom Accessible Bathroom
10 Ada Ideas Ada Bathroom Handicap Bathroom Accessible Bathroom from i.pinimg.com
One grab bar on the back wall shall be located 9 inches (230 mm) above the rim of the tub. Vertical grab bars are not yet covered in the ada guidelines, however, ansi specifies the dimensions shown in the diagram. For more information for information about the ada, including the revised 2010 ada regulations, please visit the department's website www.ada.gov; The ada home page provides access to americans with disabilities act (ada) regulations for businesses and state and local governments, technical assistance materials, ada standards for accessible design, links to federal agencies with ada responsibilities and information, updates on new ada requirements, streaming video, information about department of justice ada settlement agreements. Bottom of the bar located 39 (990 mm) minimum and 41 (1040 mm) maximum above the floor. For bathtubs without permanent seats, grab bars shall comply with 607.4.2. The requirements vary when it comes to children's toilets since children obviously are smaller than most adults. The fundamental philosophy of the code on the subject of accessibility is that everything is required to be accessible.this is reflected in the basic applicability requirement (see section 1103.1).

Each grab bar shall be 24 inches (610 mm) long minimum and shall be installed 24 inches (610 mm) maximum from the head end wall and 12 inches (305 mm) maximum from the control end wall.

These horizontal handrails are smooth but easy to grasp. The fundamental philosophy of the code on the subject of accessibility is that everything is required to be accessible.this is reflected in the basic applicability requirement (see section 1103.1). The ada standards do not require this grab bar but allow a second grab bar to be within the 12 clearance above the horizontal grab bar (§609.3) if there is a separation of 1½ min. Vertical grab bars are not yet covered in the ada guidelines, however, ansi specifies the dimensions shown in the diagram. While changing the type of bar may require you to renovate bathrooms, it will certainly be worth it in the long run for your organization.the ada requires two horizontal bars, one behind the toilet and one next to it. For more information for information about the ada, including the revised 2010 ada regulations, please visit the department's website www.ada.gov; The grab bars must extend across the side wall to the entry. 14 from wall and 17 above floor with operable control at max. The requirements vary when it comes to children's toilets since children obviously are smaller than most adults. One grab bar on the back wall shall be located 9 inches (230 mm) above the rim of the tub. For single handicapped restrooms there must be a 60 diameter for a wheel chair in the room. Controls shall be between the bathtub rim and grab bar, and between the open. An overview of ada bathroom layout requirements:

Post a Comment

Lebih baru Lebih lama